Описание
Характеристики
Отзывы
Описание
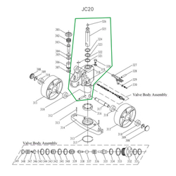
Гидроузел в сборе для гидравлических тележек JC20. Высота 290 мм, длина 200 мм, диаметр посадочного места с осью колеса 25 мм, диаметр поршня 32 мм, диаметр посадочного места для ручки под ось 20 мм, расстояние снаружи под ручку 79 мм, внутреннее расстояние 58 мм.
Характеристики
Для серий
JC
Грузоподъемность техники, кг
2000
Отзывы
Отзывов еще никто не оставлял
Ранее просмотренные
Не можете определиться?
Доверьте выбор нашим менеджерам. Бесплатно расчитаем необходимое количество оборудования исходя из ваших задач, помещения, бюджета.От вас только номер телефона:
