Описание
Характеристики
Отзывы
Описание
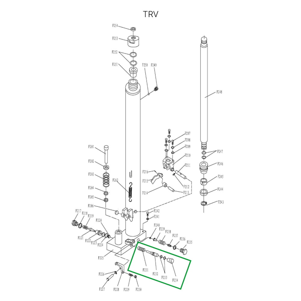
Клапан обратный.
Подходит для моделей:
- TRV 1016/1020/1025/1030/1516/1525/1530/2016.
Характеристики
Для серий
TRV
Грузоподъемность техники, кг
1000, 1500, 2000
Отзывы
Отзывов еще никто не оставлял
Ранее просмотренные
Не можете определиться?
Доверьте выбор нашим менеджерам. Бесплатно расчитаем необходимое количество оборудования исходя из ваших задач, помещения, бюджета.От вас только номер телефона:
